NNC69KP
-
- 產品概述
- 產品PDF說明
-
產品特點
16A觸點切換能力
觸點間隙2.0mm
空間距離大于6.4mm
爬電距離大于8mm
UL絕緣等級: F級
環保產品(符合RoHS)
外形尺寸(35.0x18.7x27.9) mm
產品型號說明

主要技術參數
主觸點參數
結構 1Z,1H, 1D
觸點材料 銀合金 接觸電阻 ≤100mΩ(6VDC,1A) 接觸壓降 / 額定負載 16A 277VAC/24VDC 短路電流 / 額度電流 16A 切換電壽命 / 沖擊電壽命 / 分斷電壽命 16A/ 277VAC 1萬次 16A/ 24VDC 1萬次 / / / 最小負載電流 6V, 0.1A 機械耐久性 10萬次(0.1秒通0.1秒斷) 輔助觸點參數
結構 / 接觸電阻 / 額定負載 / 切換電壽命 / 線圈參數
注: ★” : 表示為額定電壓時額定電壓(Vd.c.)
12 24 / 動作電壓(Vd.c.) ≤9 ≤18 / 工作電壓(Vd.c.) 9~ 16 18~32 / 釋放電壓(Vd.c.)
≥1.2 ≥2.4 / 線圈電阻(2)(1+ 7%) 100 410 / 啟動電流(A)*
0.12 0.058 / 啟動時間(ms) / / / 額定電流(A) 0.12 0.058 / 啟動功耗(W)* 1.4 1.4 / 穩態功耗(W) 1.4 1.4 / 性能參數
注:上述值均為常溫時的初始值,如有其它要求可特殊訂貨絕緣電阻 線圈與觸點間 1000MΩ以上 同極觸點間 / 主輔觸點間 / 耐壓
線圈與觸點間 AC5000V 1分鐘 同極觸點間 AC2000V 1分鐘 主輔觸點間 / 耐沖擊電壓 線圈和接點間5kV(1.2X 50μs) 動作時間 20ms以下 釋放時間 20ms以下 吸合回跳 / 振動 耐久 10 ~ 55 ~ 10Hz單振幅0.75mm(雙振幅1.5mm) 誤動作 勵磁: 10~ 55 ~ 10Hz單振幅0.75mm(雙振幅1. 5mm) 無勵磁: 10 ~ 55 ~ 10Hz單振幅0.15mm(雙振幅0.3mm) 沖擊 耐久 1,000m/s2 誤動作 勵磁: 100m/s2 無勵磁: 50m/s2 使用環境溫度 -40~ +70°C (不結冰、無凝露) 使用環境濕度 5 ~ 85%RH 重量 約19g
安全認證
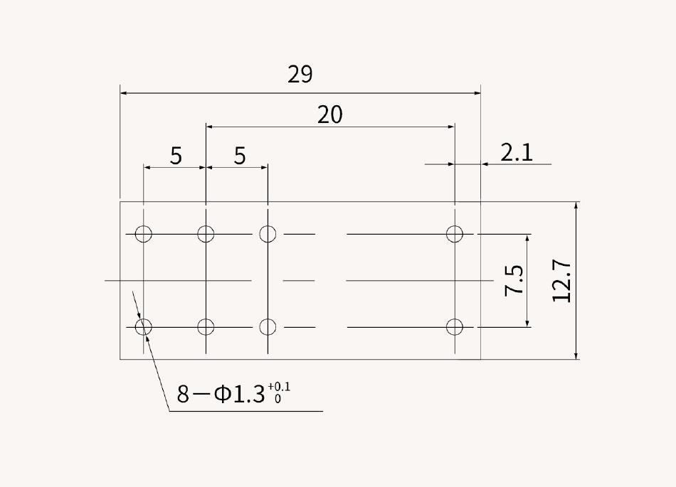
UL / TUV / CE / 產品外形、安裝及接線圖

NNC69KP外形尺寸圖

安裝孔位圖(底視圖)

