NNC67E
-
- 產品概述
- 產品PDF說明
-
產品特點
50A觸點切換能力
觸點間隙2.15mm
觸點間介質耐壓3000V
線圈與觸點間介質耐壓4000V
密封型和防焊劑型可供選擇
UL絕緣等級: F級
環保產品(符合RoHS)
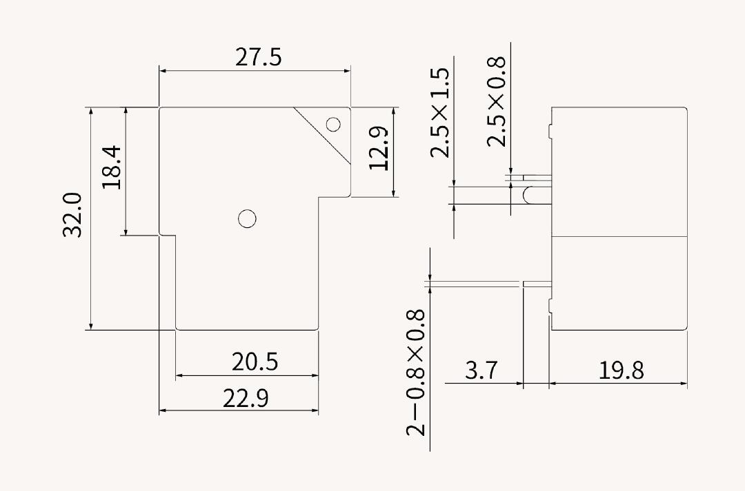
外形尺寸(32x27.5x19.8)mm
產品型號說明

主要技術參數
主觸點參數
結構 H
觸點材料 銀銅合金 接觸電阻 ≤100mΩ(6VDC,1A) 接觸壓降 / 額定負載 50A 240VAC 短路電流 / 額度電流 50A 切換電壽命 / 沖擊電壽命 / 分斷電壽命 50A/ 240VAC 1萬次 / / / / 最小負載電流 6V, 0.1A 機械耐久性 500萬次(0.1秒通0.1秒斷) 輔助觸點參數
結構 / 接觸電阻 / 額定負載 / 切換電壽命 / 線圈參數
注: ★” : 表示為額定電壓時額定電壓(Vd.c.)
12 24 / 動作電壓(Vd.c.) ≤9 ≤18 / 工作電壓(Vd.c.) 9~ 16 18~32 / 釋放電壓(Vd.c.)
≥1.2 ≥2.4 / 線圈電阻(2)(1+ 7%) 64 1296 / 啟動電流(A)*
0.187 0.018 / 啟動時間(ms) / / / 額定電流(A) 0.187 0.018 / 啟動功耗(W)* 2.25 2.25 / 穩態功耗(W) 2.25 2.25 / 性能參數
注:上述值均為常溫時的初始值,如有其它要求可特殊訂貨絕緣電阻 線圈與觸點間 100MΩ以上 同極觸點間 / 主輔觸點間 100MΩ以上 耐壓
線圈與觸點間 AC4000V 1分鐘 同極觸點間 / 主輔觸點間 AC3000V 1分鐘 耐沖擊電壓 線圈和接點間4kV(1.2X 50μs) 動作時間 15ms以下 釋放時間 10ms以下 吸合回跳 / 振動 耐久 10 ~ 55 ~ 10Hz單振幅0.75mm(雙振幅1.5mm) 誤動作 勵磁: 10~ 55 ~ 10Hz單振幅0.75mm(雙振幅1. 5mm) 無勵磁: 10 ~ 55 ~ 10Hz單振幅0.15mm(雙振幅0.3mm) 沖擊 耐久 1,000m/s2 誤動作 勵磁: 100m/s2 無勵磁: 50m/s2 使用環境溫度 -40~ +70°C (不結冰、無凝露) 使用環境濕度 5 ~ 85%RH 重量 約25g
安全認證
UL / TUV / CE / 產品外形、安裝及接線圖

NNC67E 外形尺寸圖


