NV-21W15-1C36
-
- 產品概述
-
接觸規格

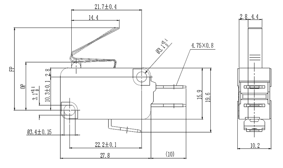
端子尺寸(單位:mm)
外形尺寸/動作特性

動作特性\型號 NV-21W15-1□6 NV-16W15-1□5 NV-16W15-1□4 OF 動作力
(不帶跳板)最大3.0N 最大1.96N 最大0.98N RF 釋放力
(不帶跳板)最小0.78N 最小0.49N 最小0.2N PT 工作行程
(不帶跳板)最大1.2mm OT 超越行程
(不帶跳板)最小1.0mm MD 差動行程
(不帶跳板)最大0.4mm OP 動作行程
(不帶跳板)14.7±0.5mm FP 自由位置 最大26.0mm

