NV-16-3A6-D006
-
- 產品概述
-
接觸規格

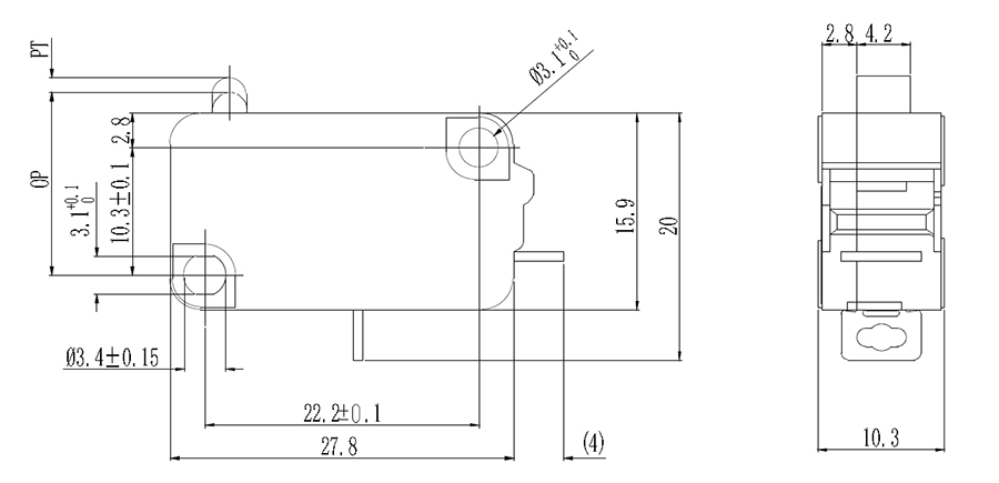
端子尺寸(單位:mm)
外形尺寸/動作特性

動作特性\型號 NV-21-3A6-D006 NV-16-3A5-D006 NV-16-3A4-D006 OF 動作力 最大3.92N 最大1.96N 最大0.98N RF 釋放力 最小0.78N 最小0.49N 最小0.2N PT 工作行程 最大1.2mm OT 超越行程 最小1.0mm MD 差動行程 最大0.4mm OP 動作行程 14.4±0.4mm
Products


| 動作特性\型號 | NV-21-3A6-D006 | NV-16-3A5-D006 | NV-16-3A4-D006 | |
| OF | 動作力 | 最大3.92N | 最大1.96N | 最大0.98N |
| RF | 釋放力 | 最小0.78N | 最小0.49N | 最小0.2N |
| PT | 工作行程 | 最大1.2mm | ||
| OT | 超越行程 | 最小1.0mm | ||
| MD | 差動行程 | 最大0.4mm | ||
| OP | 動作行程 | 14.4±0.4mm | ||