型號說明

① 額定負載:
05:0.5A 125/250VAC;
5: 5(2)A 125/250VAC;
10:10A 125/250VAC
② 驅動桿類型:
無:按鈕型;Z:直擺桿型;W:R型擺桿型;G:滾珠擺桿型
③ 驅動桿流水碼: 無:按鈕型; 0~99 :流水碼
④ 動作力(OF)最大:無: 1.47N Max;-F: 0.59N Max;-F1: 1.0N Max;-F2: 2.7N Max;-F3: 3.7N Max
⑤ 接觸規格:無:雙投型(轉換);2:常閉型(NC);3:常開型(NO)
⑥ 端子類型:
無:焊接端子(H);
T: #110型端子;
T1:#110型端子;
D:PCB型端子;
D1:左彎PCB型端子;
D2:右彎PCB型端子;
⑦ 外殼材質:P:PBT
⑧ 安裝孔:5: ?2.5 ; 3: ?2.3
⑨ 線束類型:WO: 不帶線;WX0…:下出線;WL0…:左出線;WR0…:右出線
⑩ 驅動桿位置: 無: ;Y: Y位
? 序列號:無:基本型;A~Z:流水號
接觸規格
額定負載
|
型號
|
額定電壓
|
額定負載
|
|
NS-05:
|
AC 250V
|
0.5A
|
|
DC 30V
|
0.5A
|
|
NS-5:
|
AC 250V
|
5A
|
|
DC 30V
|
5A
|
|
NS-10:
|
AC 250V
|
10A
|
|
DC 30V
|
10A
|
驅動桿類型
驅動桿位置
|
常規
|

|
Y
:
|

|
外殼類型
端子類型
性能
|
項目
|
規格值
|
|
容許操作速度
|
0.1mm~1m/S
|
|
防護等級
|
IP67
|
|
絕緣電阻
|
100MΩ以上
|
|
接觸電阻(初始值)
|
100mΩ以下(不含線束)
|
|
環境溫度
|
25T125
|
|
耐壓
|
同極端子間
|
AC1000V 50/60Hz 1min
|
|
各端子與接地(塑料間)
|
AC1500V 50/60Hz 1min
|
|
各端子與非充電金屬間
|
AC1500V 50/60Hz 1min
|
|
壽命
|
機械
|
100萬次以上
|
|
電氣
|
NS-5 5萬次
|
NS-05/NS-10 1萬次
|
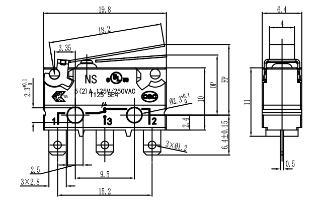
外形尺寸/動作特性
|
項目
|
|
|
OF
|
動作力
|
≤0.6N
|
|
RF
|
釋放力
|
≥0.1N
|
|
PT
|
動作行程
|
≤12.5mm
|
|
OT
|
超越行程
|
≥0.8mm
|
|
MD
|
差動行程
|
≤0.5mm
|
|
OP
|
動作位置
|
9.6±0.8mm
|
①關于安裝:
開關的安裝,拆卸和配線作業以及維護檢查時,請務必斷開電源。否則會引起觸電和燒毀。
開關安裝時螺釘需小于安裝孔,使用平墊圈,彈性墊圈來緊固。此時請使用0.39-0.59N.m的緊固扭矩安裝。
開關請安裝在平面上。如果安裝面凹凸不平,可能導致開關歪斜,動作失常和外殼破損。

②關于操作行程的設定:
針狀按鈕規格場合,請注意操作行程的設定。按下量過多則壽命縮短。請以過行程(OT)規格值的70%~100%為標準設定。
注意事項
①將導線焊接在端子上時,請先將導體穿過端子孔后再進行操作。
②烙鐵的容量為60W以下,時間在5S以內。如果操作溫度過高或者時間過長,可能導致開關特性劣化。
③請盡量少用焊錫,如果焊錫進入開關內部,可能會導致接觸障礙。
④如果將印刷基板用端子在焊接槽中進行焊接,焊錫可能進入開關內部導致接觸不良,因此請采用手工焊接。