NS-10W8-HR5001
-
- 產品概述
-
接觸規格
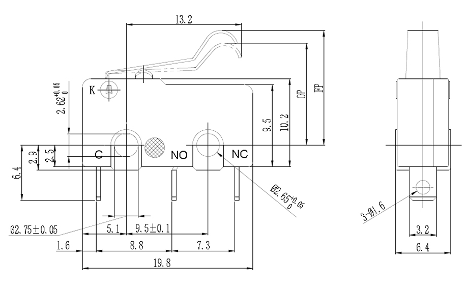
外形尺寸/動作特性

動作特性\型號 NS-5W8-HR5001 NS-10W8-HR5001 OF 動作力 最大0.55N RF 釋放力 最小0.08N PT 工作行程 最大16mm OT 超越行程 最小1.2mm MD 差動行程 最大0.8mm OP 動作行程 13.4±1.2mm
Products

| 動作特性\型號 | NS-5W8-HR5001 | NS-10W8-HR5001 | |
| OF | 動作力 | 最大0.55N | |
| RF | 釋放力 | 最小0.08N | |
| PT | 工作行程 | 最大16mm | |
| OT | 超越行程 | 最小1.2mm | |
| MD | 差動行程 | 最大0.8mm | |
| OP | 動作行程 | 13.4±1.2mm | |