NS-102MP 大間距
-
- 產品概述
-
接觸規格
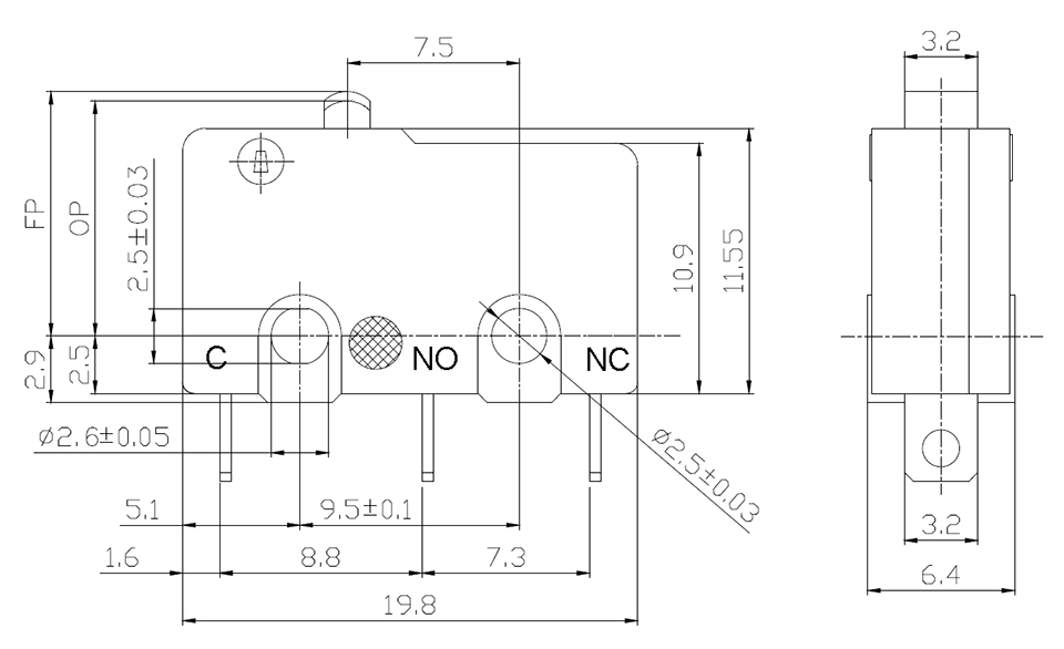
外形尺寸/動作特性

動作特性\型號 NS-102MP NS-52MP 動作力 OF最大 2.2N 回復力 RF最小 0.3N 預行程 PT最大 1.0mm 過行程 OT最小 0.5mm 響應差行程 MD最大 0.2mm 自由位置 FP最大 10.8mm 動作位置 OP 10±0.5mm
Products

| 動作特性\型號 | NS-102MP | NS-52MP | |
| 動作力 | OF最大 | 2.2N | |
| 回復力 | RF最小 | 0.3N | |
| 預行程 | PT最大 | 1.0mm | |
| 過行程 | OT最小 | 0.5mm | |
| 響應差行程 | MD最大 | 0.2mm | |
| 自由位置 | FP最大 | 10.8mm | |
| 動作位置 | OP | 10±0.5mm | |