產品特點
獨特的磁滅弧設計,具有1500V的高容量切斷功能
獨特的接點結構,具有更更高的耐浪涌性能和電流耐受能力
獨特的抗短路結構,抗短路能力達到6000A以上
高低壓間耐壓4000V以上
線圈可選節能型,節能型線圈連接有極性
負載連續無極性
環保產品(符合RoHS)
產品型號說明
主要技術參數
主觸點參數
|
結構
|
H
|
|
觸點材料
|
銀銅合金
|
|
接觸電阻
|
≤0.3mΩ(@300A)
|
|
接觸壓降
|
/
|
|
額定負載
|
DC1500V 300A
|
|
機械耐久性
|
20萬次(0.5秒通0.5秒斷)
|
|
切換電壽命
|
250A /1000V,1000次
|
|
沖擊電壽命
|
/
|
分斷電壽命
|
250A /1500V,100次
|
|
300A /1000V,1000次
|
|
短路電流
|
6000A*(5ms),1次
|
|
額定電流
|
300A
|
|
最小負載電流
|
6V/1A
|
輔助觸點參數
|
結構
|
H
|
|
接觸電阻
|
≤100mΩ(@0.1A)
|
|
額定負載
|
DC12V,0.1A
|
|
切換電壽命
|
DC12V 0.1A 10000次
|
線圈參數
|
額定電壓(Vd.c.)
|
12
|
24
|
PWM型
|
|
動作電壓(Vd.c.)
|
≤9
|
≤18
|
≤9
|
|
工作電壓(Vd.c.)
|
9~ 16
|
18 ~ 32
|
9~ 36
|
|
釋放電壓(Vd.c.)
|
≥1
|
≥2
|
≥5
|
|
線圈電阻(2)(1+ 7%)
|
24
|
96
|
3.1
|
啟動電流(A)*
|
0.5
|
0.5
|
3.8*
|
|
啟動時間(ms)
|
/
|
/
|
≤150*
|
|
額定電流(A)
|
0.5
|
0.5
|
0.2*
|
|
啟動功耗(W)*
|
6
|
6
|
46*
|
|
穩態功耗(W)
|
6
|
6
|
2.5*
|
注: ★” : 表示為12V電壓時
性能參數
|
絕緣電阻
|
線圈與觸點間
|
1000MΩ以上
|
|
同極觸點間
|
1000MΩ以上
|
|
主輔觸點間
|
1000MΩ以上
|
耐壓
|
線圈與觸點間
|
AC4000V 1分鐘
|
|
同極觸點間
|
AC4000V 1分鐘
|
|
主輔觸點間
|
AC4000V 1分鐘
|
|
耐沖擊電壓
|
線圈和觸點間10 kV(1.2 × 50μs)
|
|
動作時間
|
30ms以下
|
|
釋放時間
|
10ms以下
|
|
吸合回跳
|
5ms以下
|
|
振動
|
耐久
|
10 ~ 55~10Hz單振幅0.75mm(雙振幅1.5mm)
|
|
誤動作
|
勵磁:10~55~10Hz單振幅
0.75mm(雙振幅1.5mm)
無勵磁:10~55~10Hz單振幅
0.15mm(雙振幅0.3mm)
|
|
沖擊
|
耐久
|
1,000m/s2
|
|
誤動作
|
勵磁: 100m/s2 無勵磁: 50m/s2
|
|
使用環境溫度
|
-40 ~ +85°C (不結冰、無凝露)
|
|
使用環境濕度
|
5 ~ 85%RH
|
|
重量
|
12V
|
約295g
|
|
24V
|
約295g
|
|
PWM型
|
約295g
|
注:上述值均為常溫時的初始值,如有其它要求可特殊訂貨
安全認證
|
UL
|
1、阻性切換: 50A@
1500Vdc,6000次
2、阻性分斷: 250A@
1500Vdc,100 次
|
|
TUV
|
1、負載1: 50A@
1500Vdc
2、阻性分斷: 250A
@1500Vdc,100次
|
|
CE
|
1、負載1: 50A@
1500Vdc
2、負載2: 250A
@300Vdc
|
|
CCC
|
1、負載1: 50A@1500Vdc
2、負載2:300A@300Vdc
|
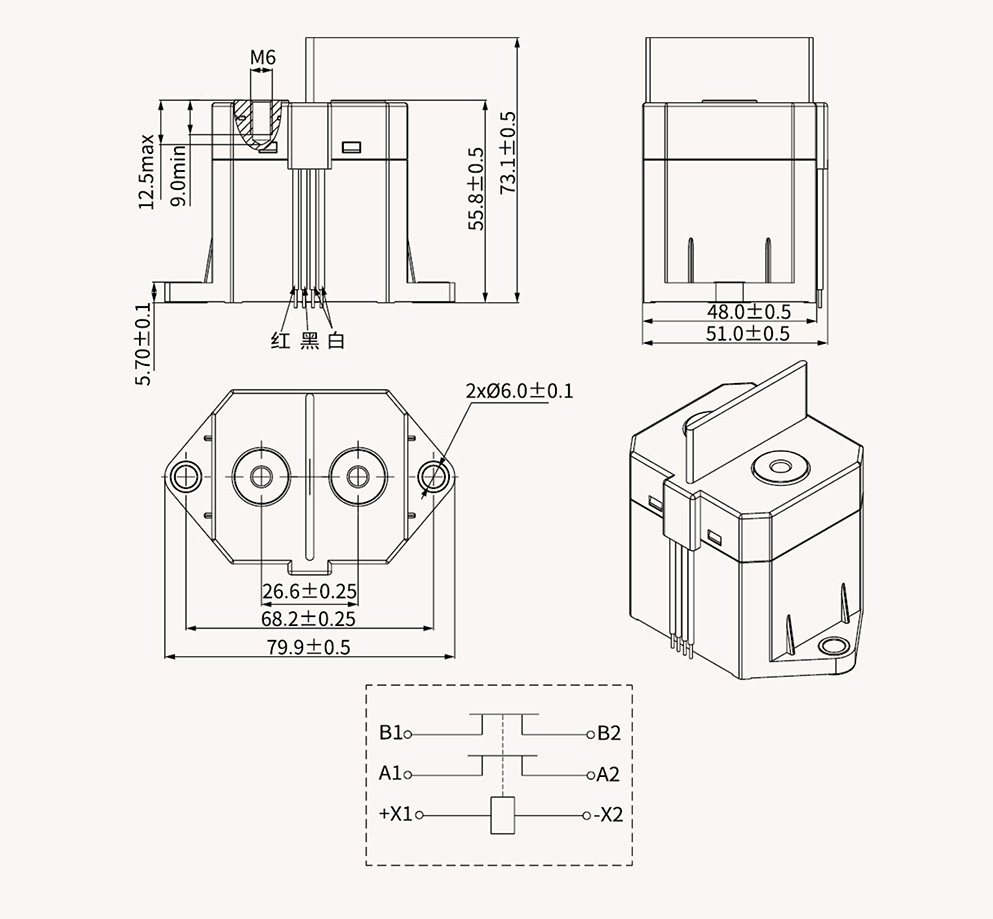
產品外形、安裝及接線圖
NN82B-300 外形尺寸圖
說明:
1.A1、A2為負載端,負載無極性(外殼無標識)
2.+X1(紅色線)、-X2( 黑色線)為線圈端,線圈有極性,線號為20AWG,長300士20mm
3.B1(白色線)、B2( 白色線)為輔助觸點,輔助觸點無極性,線號為20AWG,長300土20mm
4.注:產品外形尺寸未注尺寸公差按下表執行。