型號說明

① 額定負載:
10:10A 125/250VAC;
5:5A 125/250VAC;
01 :0.1A 125/250VAC
② 觸點間距:
無:0.5mm
③ 驅動桿類型:無:按鈕型;Z:直擺桿型;W:R型擺桿型;G:滾珠擺桿型
④ 驅動桿流水碼:
無:按鈕型;
0~99 :流水碼
④ 動作力(OF)最大:
無: 1.0N Max;
-F: 0.5N Max;
-F1: 1.9N Max;
-F2: 2.7N Max;
-F3: 3.7N Max;
-F4: 4.5N Max
⑤ 接觸規格:
1:雙投型(轉換);2:常閉型(NC);3:常開型(NO)
⑥ 端子類型:
無:焊接端子;
T:110#插片端子(2.8×0.5);
D:線路板端子;
P:線路板端子(8.8+7.3);
D1:左彎線路板端子;
D2:右彎線路板端子;
… :其它
⑦ 防護等級:
-W0: IP40 不帶線;-W01: IP40 帶線;-W…: IP40 帶線…;-WR0: IP67 不帶線;-WR01: IP67 帶線;
-WR…: IP67 帶線…
⑧ 驅動桿位置:
無:;
Y: 開關子遠軸;
J: 開關子近軸
⑨ 序列號:
無:基本型;
A~Z:流水號
接觸規格
額定負載
|
型號
|
額定電壓
|
額定負載
|
|
NL-10
|
AC 250V
|
10A
|
|
AC 250V
|
10(3)A
|
|
DC 30V
|
10A
|
|
NL-5
|
AC 250V
|
5A
|
|
AC 250V
|
5(2)A
|
|
DC 30V
|
5A
|
|
NL-01
|
AC 250V
|
0.1A
|
|
DC 30V
|
0.1A
|
驅動桿類型
端子類型
端子類型
|
J
|
|
Y
|
|
性能
|
項目
|
規格值
|
|
容許操作速度
|
0.1mm~1m/S
|
|
防護等級
|
IP40
|
IP67
|
|
絕緣電阻
|
100MΩ以上
|
|
接觸電阻(初始值)
|
100mΩ以下(不含線束)
|
|
環境溫度
|
25T125
|
|
耐壓
|
同極端子間
|
AC1000V 50/60Hz 1min
|
|
各端子與接地(塑料間)
|
AC1500V 50/60Hz 1min
|
|
各端子與非充電金屬間
|
AC1500V 50/60Hz 1min
|
|
壽命
|
機械
|
100萬次以上
|
|
電氣
|
NL-5: 5萬次
|
NL-10: 1萬次
|
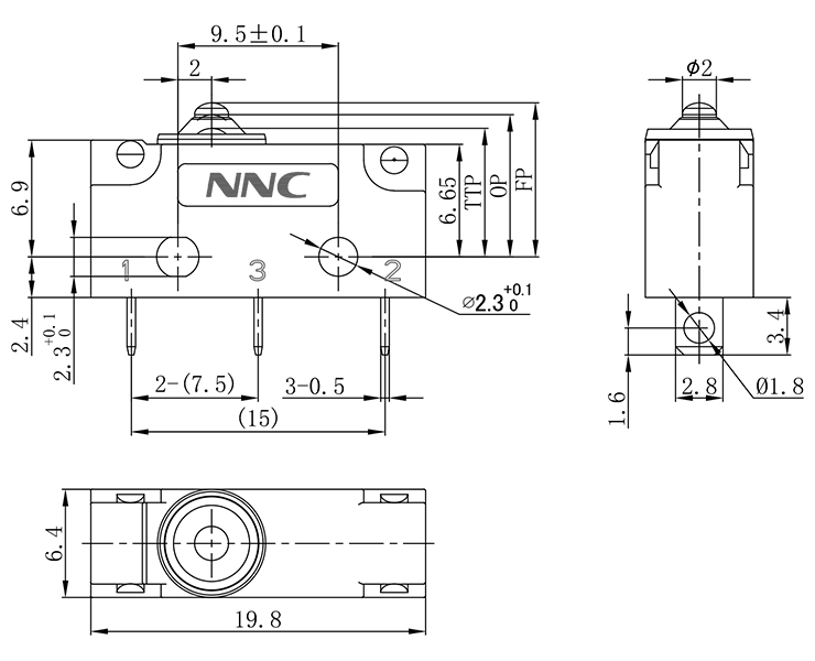
外形尺寸/動作特性
|
項目
|
|
|
OF
|
動作力
|
≤300gf
|
|
RF
|
釋放力
|
≥30gf
|
|
FP
|
自由位置
|
≤9.2mm
|
|
OP
|
動作位置
|
8.4±0.3mm
|
|
TTP
|
極限位置
|
≥7.6mm
|
① 關于安裝:
開關的安裝,拆卸和配線作業以及維護檢查時,請務必斷開電源。否則會引起觸電和燒毀。
開關安裝時螺釘需小于安裝孔,使用平墊圈,彈性墊圈來緊固。此時請使用0.39-0.59N.m的緊固扭矩安裝。
開關請安裝在平面上。如果安裝面凹凸不平,可能導致開關歪斜,動作失常和外殼破損。

② 關于操作行程的設定:
針狀按鈕規格場合,請注意操作行程的設定。按下量過多則壽命縮短。請以過行程(OT)規格值的70%~100%為標準設定。
注意事項
① 將導線焊接在端子上時,請先將導體穿過端子孔后再進行操作。
② 烙鐵的容量為60W以下,時間在5S以內。如果操作溫度過高或者時間過長,可能導致開關特性劣化。
③ 請盡量少用焊錫,如果焊錫進入開關內部,可能會導致接觸障礙。
④ 如果將印刷基板用端子在焊接槽中進行焊接,焊錫可能進入開關內部導致接觸不良,因此請采用手工焊接。