NL-10-F2D-H001
-
- 產品概述
-
接觸規格
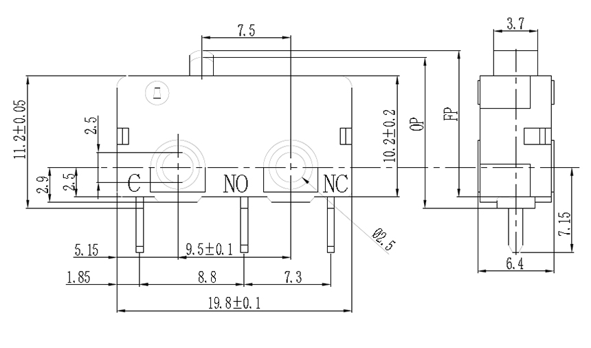
外形尺寸/動作特性

動作特性\型號 NL-10-F2D-H001
NL-5-F2D-H001OF 動 作 力 2.0±0.5N RF 釋 放 力 最小0.55N PT 工作行程 最大0.6mm OT 超越行程 最小0.6mm MD 差動行程 最大13.4mm OP 動作位置 12.75±0.2mm
Products

| 動作特性\型號 |
NL-10-F2D-H001 NL-5-F2D-H001 |
|
| OF | 動 作 力 | 2.0±0.5N |
| RF | 釋 放 力 | 最小0.55N |
| PT | 工作行程 | 最大0.6mm |
| OT | 超越行程 | 最小0.6mm |
| MD | 差動行程 | 最大13.4mm |
| OP | 動作位置 | 12.75±0.2mm |