型號說明

① 接觸規格:
1:雙投型(轉換) ;2:常閉型(NC);3:常開型(NO)
② 額定負載:
1:0.1A 130VDC
③ 驅動桿類型:00:按鈕型;01:直擺桿型;02 :彎擺桿型
④ 動作力(OF)最大:150:150gf Max;
170:170gf Max;
…:其它
⑤ 外殼類型:
A:A型外殼;
⑥ 端子類型:
A:A型端子
⑦ 線束類型:0:不帶線束;W…: 帶線束
接觸規格
驅動桿類型
外殼類型
|
A
|

|
端子類型
|
A
|

|
性能
|
項目
|
規格值
|
|
容許操作速度
|
0.1mm~1m/S
|
|
防護等級
|
IP67
|
|
絕緣電阻
|
100MΩ以上
|
|
接觸電阻(初始值)
|
100mΩ以下(不含線束)
|
|
環境溫度
|
40T85
|
|
耐壓
|
同極端子間
|
AC250V 50/60Hz 1min
|
|
各端子與接地(塑料間)
|
AC500V 50/60Hz 1min
|
|
各端子與非充電金屬間
|
AC500V 50/60Hz 1min
|
|
壽命
|
電氣
|
20萬次
|
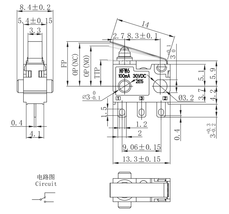
外形尺寸/動作特性
|
項目
|
|
|
OF
|
動作力
|
≤1.7N
|
|
FP
|
自由位置
|
≤11.5mm
|
|
OP
|
動作位置
|
OP(NC)10±0.5
OP(NO)9.3±0.5
|
|
TTP
|
極限位置
|
≥6.1mm
|
①關于安裝:
開關的安裝,拆卸和配線作業以及維護檢查時,請務必斷開電源。否則會引起觸電和燒毀。
開關安裝時螺釘需小于安裝孔,使用平墊圈,彈性墊圈來緊固。此時請使用0.39-0.59N.m的緊固扭矩安裝。
開關請安裝在平面上。如果安裝面凹凸不平,可能導致開關歪斜,動作失常和外殼破損。

②關于操作行程的設定:
針狀按鈕規格場合,請注意操作行程的設定。按下量過多則壽命縮短。請以過行程(OT)規格值的70%~100%為標準設定。
注意事項
①將導線焊接在端子上時,請先將導體穿過端子孔后再進行操作。
②烙鐵的容量為60W以下,時間在5S以內。如果操作溫度過高或者時間過長,可能導致開關特性劣化。
③請盡量少用焊錫,如果焊錫進入開關內部,可能會導致接觸障礙。
④如果將印刷基板用端子在焊接槽中進行焊接,焊錫可能進入開關內部導致接觸不良,因此請采用手工焊接。