NFW5-1100130BF-068
-
- 產品概述
-
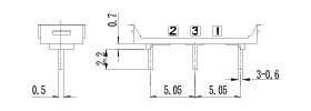
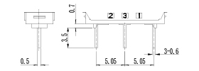
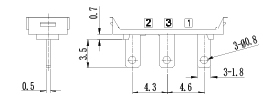
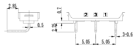
型號說明

① 接觸規格: 1:雙投型(轉換) ; 2:常閉型(NC); 3:常開型(NO)
② 額定負載: 1:0.1A 125/250VAC ; 2:3(1)A 125/250VAC ; …:其它
③ 驅動桿類型: 00:按鈕型 ;…:擺桿型
④ 動作力(OF)最大: 075:75gf Max; 130:130gf Max ; …:其它
⑤ 外殼類型: A:A型外殼; B:B型外殼; … :其它
⑥ 端子類型:
F:焊接端子;
S:短焊接端子;
K:接線片端子;
P:線路板端子;
D:短線路板端子;
L:左彎線路板端子;
R:右彎線路板端子;
A:居中線路板端子;
⑦ 線束類型:0:不帶線束;W…: 帶線束
接觸規格

額定負載
型號 額定電壓 額定負載 壽命 NFW5-□1: AC 250V 0.1A 1E5 DC 48V 0.1A 1E5 DC 12V 3A 1E4 NFW5-□2: AC 250V 3(1)A 1E4 DC 36V 3A 1E4 DC 12V 3A 1E5 驅動桿類型
01:
02:
03:
04:
05:
06:
07:
08:
09:
10:
11:
12:
13:
14:
15:
16:
17:
18:
19:
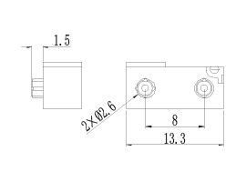
外殼類型
A
B
C
D
E
F
G
H
I
J
K
P
Q
R
N
S
T
U
V
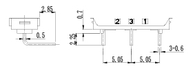
端子類型
F
G
L
S
P
R
K
D
A
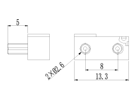
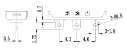
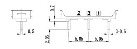
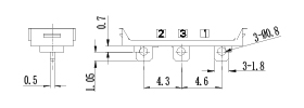
性能
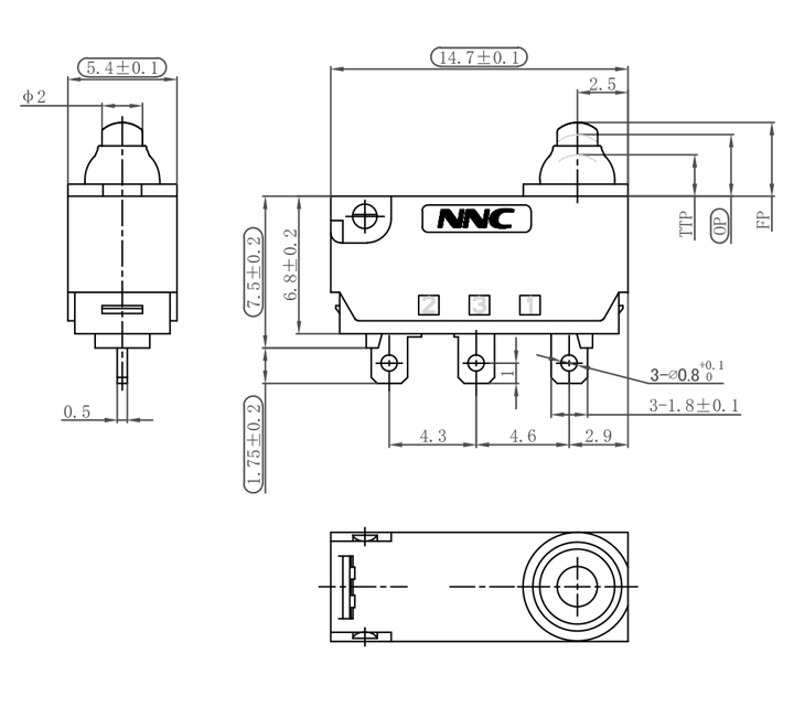
項目 規格值 容許操作速度 0.1mm~1m/S 防護等級 IP67 絕緣電阻 100MΩ以上 接觸電阻(初始值) 100mΩ以下(不含線束) 環境溫度 40T85 耐壓 同極端子間 AC250V 50/60Hz 1min 各端子與接地(塑料間) AC500V 50/60Hz 1min 各端子與非充電金屬間 AC500V 50/60Hz 1min 壽命 機械 50萬次以上 電氣 5萬次 1萬次 外形尺寸/動作特性

項目 OF 動作力 ≤130gf RF 釋放力 ≥13gf FP 自由位置 ≤4mm OP 動作位置 30.5±0.2mm TTP 極限位置 ≥5.1mm
①關于安裝:
開關的安裝,拆卸和配線作業以及維護檢查時,請務必斷開電源。否則會引起觸電和燒毀。
開關安裝時螺釘需小于安裝孔,使用平墊圈,彈性墊圈來緊固。此時請使用0.39-0.59N.m的緊固扭矩安裝。
開關請安裝在平面上。如果安裝面凹凸不平,可能導致開關歪斜,動作失常和外殼破損。

②關于操作行程的設定:
針狀按鈕規格場合,請注意操作行程的設定。按下量過多則壽命縮短。請以過行程(OT)規格值的70%~100%為標準設定。
注意事項
①將導線焊接在端子上時,請先將導體穿過端子孔后再進行操作。
②烙鐵的容量為60W以下,時間在5S以內。如果操作溫度過高或者時間過長,可能導致開關特性劣化。
③請盡量少用焊錫,如果焊錫進入開關內部,可能會導致接觸障礙。
④如果將印刷基板用端子在焊接槽中進行焊接,焊錫可能進入開關內部導致接觸不良,因此請采用手工焊接。

