FA02-15/1WEK
-
- 產品概述
-
一、產品特性
1.1電氣參數
序號 項目 規格 1 額定輸入電壓/頻率 42Vdc(max) 2 額定(平均)電流
10mA (max) 3 啟動浪涌峰值電流
20mA(max)
1.2 功能特性
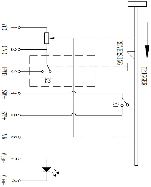
序號 開關功能描述 開關電路圖 備注 1 通斷功能(信號)
實現控制回路電源的導通與關斷 2 調速功能(調 提供隨行程變化對應的電阻值變化信號 3 換向功能(信號 提供正、反轉導通或關斷的開關信號(左、中
1.3 電氣性能
序號 項目 性能要求 1 電氣壽命 50,000 次 2 換向機械壽命 50,000 次 3 接觸電阻 ≤10 Ω (新開關) 4 絕緣電阻 施加DC 500V /1min.的條件下,測量絕緣電阻值≥7M Ω 5 輸出曲線
1.4 機械性能
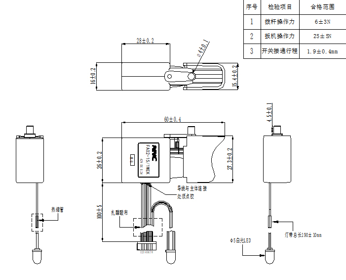
1.5 環境特性序號 項目 規格 1 操作力 25±5N 2 換向操作力 6±3N 3 接通行程 1.9±0.4mm 4 電位器起始行程 2.9±0.4mm 5 電位器終點行程 5.7±0.4mm 6 全行程 8.0±0.4mm 7 抗振動要 X,Y 方向掃頻范圍為 30~2000Hz,定加速度 15G,各 2h;Z 方向掃頻范圍為 30~1200Hz,定加速度 15G,共 2h,總計 6h;NO 通斷、VR 調阻及換向 F/R 等波形,掉波時間不超 8 機械壽命 100,000 次(20次/min),每次松開扳機換向操作一次;試驗后檢測VR調阻及F/R換向等波形,掉波時間
序號 項目 性能要求 1 工作環境 -20℃~+60℃;0~(90±5)% RH; 2 儲存環境 -25℃~+80℃;0~85% RH; 3 防護要求 ≥IP50(埋在膩子粉中操作 800 次后拆解內部灰塵很少) 4 高溫高濕測試 滿足溫度85℃/相對濕度85%/空載運行96h的測試要求。 試驗結束取出常溫下放置1小時后,做基本功能性能測試 5 溫度循 產品置于75℃±2℃恒溫箱6小時,然后轉置-20℃±2℃恒溫箱4 小時,溫變速率:3℃/min,循環10次。試驗結束取出恢復至常溫,做基本功能性能測試
二、結構外觀
2.1外形尺寸

