通用型繼電器
NNC32R-1Z
產品特點
① 10A負載切換能力
② 標準PCB印制板引出腳
③ 可提供滿足IEC60335-1標準產品
④ 滿足ROHS要求
型號說明

① 產品型號:NNC32R
② 觸點形式:1H= 1組常開型;
③ 線圈功耗:無-0.8W S-0.4W
④ 觸點材料:無-常規 P-感性負載適用
⑤ 端子腳位:1-1型腳位 2-2型腳位
⑥ 觸點負載:10A
⑦ 線圈電壓:參考線圈參數表
觸點形式說明
|
名稱
|
國內代號
|
國際代號
|
結構形式
|
|
常開型
|
H
|
A
|
|
常開型:線圈不通電時觸點是斷開的,通電后觸點閉合。
線圈參數
線圈額定電壓
DC(V)
|
線圈電阻
±10%(Ω)
|
動作電壓
|
釋放電壓
|
線圈容許施加的電壓范圍
|
標稱線圈功率(W)
|
|
額定電壓的百分比
|
|
12
|
180
|
≤75%
|
≥10%
|
90%~110%
|
0.8
|
|
24
|
720
|
觸點參數
|
觸點類型
|
1A(H)-常開
|
|
接觸電阻
|
100mΩ以下(在6VDC 1A條件下)
|
|
觸點材料
|
銀合金
|
|
觸點額定負載
|
10A 277VAC
|
|
最大切換電壓
|
277VAC/30VDC
|
|
最大切換電流
|
15A
|
|
最大切換功率
|
4155VA/450W
|
|
最小切換負載
|
5V 100mA
|
|
電氣耐久性
|
阻性負載,1萬次以上
|
特性參數
|
動作時間(額定電壓下)
|
≤15ms
|
|
釋放時間(額定電壓下)
|
≤10ms
|
|
絕緣電阻
|
100MΩ
(500VDC)
|
|
介質耐壓(漏電流1mA )
|
線圈與觸點間
|
5000VAC(1分鐘)漏電流1mA.
|
|
斷開觸點間
|
1000VAC(1分鐘)漏電流1mA.
|
|
振動特性
|
誤動作
|
振幅 1mm,10~55Hz
|
|
振動耐久性
|
振幅 1mm,10~55Hz
|
|
沖擊特性
|
誤動作
|
最高加速度98m/s2持續時間11ms
|
|
耐沖擊
|
最高加速度980m/s2持續時間6ms
|
|
環境溫度
|
-40℃~85℃
|
|
相對濕度
|
5%~ 85% RH
|
|
端子結構
|
PCB焊接式端子
|
|
保護結構
|
塑封型
|
|
重量
|
約5.5g
|
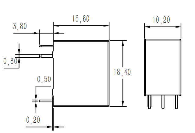
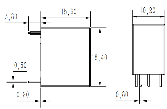
外形尺寸、安裝孔與線路圖(單位:mm)
外形尺寸:
PCB板安裝方式: (1型腳位)
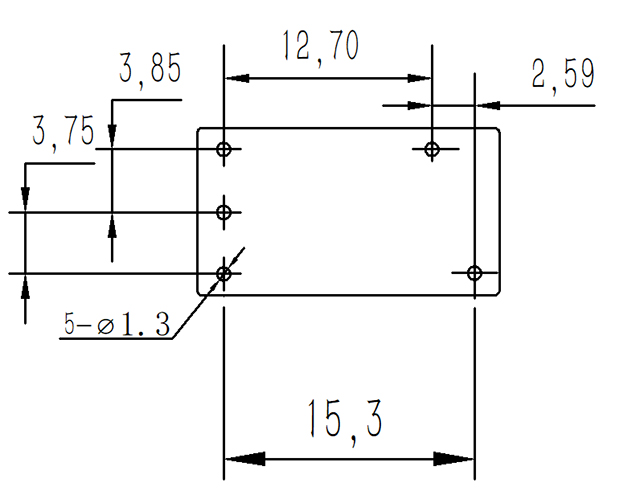
安裝孔尺寸(底視):
線路圖(底視):
外形尺寸:
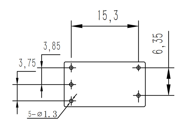
PCB板安裝方式: (2型腳位)
安裝孔尺寸(底視):
線路圖(底視):
備注:
(1)產品部分外形尺寸未注尺寸公差,當外形尺寸≤1mm ,公差為±0.1 ;當外形尺寸在1-3mm之間時,公差為±0.2 ;當外形尺寸>3mm ,公差為±0.3 .
(2)安裝孔尺寸中未注尺寸公差為±0.1.
安規認證
|
認證類別
|
CQC
|
UL
|
TUV
|
|
證書號
|
|
|
|
|
負載要求
|
277VAC/30VDC
|
277VAC/30VDC
|
277VAC/30VDC
|
產品包裝規格
|
產品型號
|
內包裝方式
|
紙箱規格
長×寬×高(mm)
|
總數量
|
凈重(Kg)
|
毛重(Kg)
|
NNC32R-1H
|
吸塑盒
|
|
|
|
|
選型指南
在沒有明確說明的情況下,所有欣大繼電器殼體上標識的負載電流均為阻性負載。在額定切換電壓下,電感負載的允許電流不應超過額定阻性負載的30%,電動機負載的允許電流不應超過額定阻性負載的20%,燈性負載的允許電流不應超過額定阻性負載的10%,容性負載的允許電流不應超過額定阻性負載的5%。為了產品實際使用的可靠性,在選型時建議選擇觸點負載電流值不超過產品額定負載下穩態電流值的60%~70%。
不同負載類型下的沖擊電流參考值見下表:
|
負載的性質
|
沖擊電流
|
|
阻性負載
|
穩態電流的1倍
|
|
鈉光燈負載
|
穩態電流的1~3倍
|
|
水銀燈負載
|
穩態電流的3倍
|
|
感性負載
|
穩態電流的3~5倍
|
|
電動機負載
|
穩態電流的3~5倍
|
|
變壓器負載
|
穩態電流的3~5倍
|
|
白熾燈負載
|
穩態電流的3~5倍
|
|
容性負載
|
穩態電流的3~5倍
|
注意事項
① 通電狀態下請勿觸摸繼電器端子部分及相連接的電氣附件,進行繼電器(包括端子臺、插座等連接部件)的安裝、維護、故障處理時請切斷電源。如需技術支持請聯系欣大電氣服務中心。
② 請勿將繼電器超出額定負載使用。超負荷使用可能會引起絕緣性能下降、觸點粘連、接觸不良等故障,甚至會導致繼電器自身破損燒壞。如需技術支持請聯系欣大電氣服務中心。
③ 產品在倉儲和使用過程中,請避免跌落、不要拆解內部元件,以免引起破損、燒壞及觸電。如需技術支持請聯系欣大電氣服務
④ 請勿在易燃、易爆性氣體等環境中使用,以及避免在有水、蒸汽、結冰后有融化現象或水滴落下的場所使用。如需技術支持請聯系欣大電氣服務中心。
⑤ 產品資料里的各項額定性能值,如果沒有特別說明,都是在JIS C5442的標準試驗狀態(溫度+15℃~+35℃,相對濕度25%~75%,氣壓86KPa~106KPa)下的值。在實際設備上進行使用時,除了負載條件以外,使用環境也必須按照與實際使用狀態相同的條件進行確認。如需技術支持請聯系欣大電氣服務中心。
⑥ 繼電器線圈是有極性的(線路圖上標注有正負極),進行端子連接時請對照接線圖然后再正確接線,嚴禁接反,如果連接錯誤,會引起誤動作、異常發熱、著火等情況發生。如需技術支持請聯系欣大電氣服務中心。
⑦ 避免向線圈連續施加電壓超過最大切換電壓。如需技術支持請聯系欣大
⑧ 更多技術問題歡迎咨詢我司服務中心。咨詢電話:400-107-0577
聲明
本產品規格書僅供客戶使用時參考,若有更改,恕不另行通知。對我司而言,不可能評定繼電器在每個具體應用領域的所有性能參數要求,因而客戶應根據具體的使用條件選擇與之相匹配的產品,若有疑問,請與我司聯系以便獲取更多的技術支持,但產品選型責任僅由客戶負責。