型號說明

① 額定值 :
01: 1A 125VAC ;
無: 3A 125VAC
② 動作力(OF)最大:
F:0.78N;F1:0.98N;無標記:1.65N
③ 驅動桿 : 無:按鈕型; L:直擺桿型;W:R形擺桿型;G:滾輪擺桿型
④ 端子類型:
無:PCB端子;
S: 焊接型端子;
T: PCB型長腳端子;
D1:PCB 左彎端子;
D2:PCB 右彎端子
⑤ 特殊型序列號
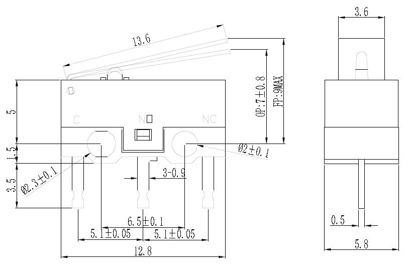
接觸規格
端子部的尺寸(單位:mm)
額定值
|
型號
|
額定電壓
|
阻性負載
|
|
N2F系列
|
AC 125V
|
3A
|
|
DC 30V
|
3A
|
|
N2F-01系列
|
AC 125V
|
1A
|
|
DC 30V
|
1A
|
接點規格
|
項目
|
型號
|
N2F系列
|
N2F-01系列
|
|
接點
|
規格
|
鉚釘
|
|
材質
|
銀合金
|
|
間隔(標準值)
|
0.25mm
|
|
最小適用值
|
DC5V 100mA
|
DC5V 100mA
|
性能
|
項目
|
規格
|
|
容許操作速度
|
0.1mm-1m/s
|
|
絕緣電阻
|
100MΩ以上
|
|
接觸電阻(初始值)
|
50MΩ以下
|
|
耐壓
|
同極端子間
|
AC600V 50/60Hz 1min
|
|
各端子與接地(塑料)間
|
AC1500V 50/60Hz 1min
|
|
各端子與非充電金屬間
|
AC1500V 50/60Hz 1min
|
|
壽命
|
機械
|
100萬次
|
|
電氣
|
3萬次
|
外形尺寸/動作特性
|
動作特性\型號
|
N2F-FZ□
N2F-01FZ□
|
N2F-F1Z□
N2F-01F1Z□
|
N2F-Z□
N2F-01Z□
|
|
動作力
|
OF最大
|
0.25N
|
0.5N
|
0.78N
|
|
回復力
|
RF最小
|
0.02N
|
0.02N
|
0.05N
|
|
過行程
|
OT最小
|
0.55mm
|
|
響應差的行程
|
MD最大
|
0.6mm
|
|
自由位置
|
FP最大
|
10mm
|
|
動作位置
|
OP
|
7±1.2
|
使用方法
① 關于安裝:
開關的安裝,拆卸和配線作業以及維護檢查時,請務必斷開電源
。否則會引|起觸電和燒損。
開關安裝時使用M2螺釘,使用平墊圈,彈性墊圈來緊固。此時
請使用0.39-0.59N.m的緊固轉矩安裝。
開關請安裝在平面上。如果安裝面凹凸不平,可能導致開關歪斜
動作失常和外殼破損。
安裝孔加工尺寸:
② 關于操作行程的設定:
針狀按鈕規格場合, 請注意操作行程的設定。按下量過多則
壽命縮短。請以過行程(OT)規格值的70%-100%為標準設定。
注意事項
①將導線焊接到端子_上時,請先將導體穿過端子孔后再進行操作。
②烙鐵的容量應為60W以下,時間在5S以內。如果操作溫度過高或者時間過長,可能導致開關特性劣化。
③請盡量少用焊錫,如果焊錫進入開關內部,可能會導致接觸障礙。
④如果將印刷基板用端子在焊接槽中進行焊接,焊錫可能進入開關內部導致接觸不良,因此請采用手工焊接。